• Home
  • Mes écrits
  • Photographie
  • La Trénardie
  • Autres
    • Tissage
      • Nouveau site ( Français )
      • Old website ( Français / English / Italian )
    • ChatGPT
    • L'Ane des bois
    • Four à pain
    • Harmonica
    • Tournage du bois
    • Vidéo drone
  • Contact
  • Accueil
  • Restauration
  • Apprendre
    • Bibliothèque gratuite
    • Glossaire
    • Initiation
      • Introduction
      • Les phases du tissage
      • Le traçé du tissu
      • Le remettage
      • L'ourdissoir lyonnais
      • L'ourdissage sectionnel
      • Le peigne
    • Techniques
      • Filature
      • Dévidage
      • Ourdissage
      • Impression sur chaîne
      • Lisage
      • Remettage
      • Piquage au peigne
      • Tordage
      • Canetage
      • Mise en route
      • Tirelle
      • Noeuds
      • Défauts de tissage
      • Lancés
      • Moirage
      • Décomposition
    • Tours de main
      • 1- Remettage
      • 2- Piquage en peigne
      • 3 - Nouage
      • 4 - Dévidage
      • 5 - Cannetage
      • 6 - Mise en route
    • Cours de tissage
      • Bâti d'un métier
      • Les rouleaux
      • Bascules
      • Lève et baisse
      • Mécanique 104
      • Fonctionnement de la 104
      • Lisage
      • Le battant
      • Position rouleau
      • Le régulateur
      • Réduction et avance
      • Mise au métier d'une chaîne
      • Mise en route
      • Navettes à soie
      • Battage
      • Préparation des fils
      • Ourdissage mécanique
  • Façonnés
    • Introduction
    • Vulgarisation
    • Définitions
    • Le métier de façonné
    • Principes du façonné
    • Le jeu des crochets
    • Les cartons
    • La chaîne de cartons
    • Mécanique 104 en détail
    • Pour en finir
    • Montage façonné
    • Empoutage
    • Colletage, pendage, appareillage
    • Autres façonnés
  • Matériel
    • Petites annonces
    • Construire son métier
    • Navettes lyonnaises
    • Autres outils
    • Métier à la tire
      • Principes
      • Matériel
      • Enfonçons le clou...
      • Métiers à la tire
  • Chroniques
    • Mon histoire de canut
    • Joseph Perret, mon grand-père
    • Mon petit monde à moi
    • Photographies d'antan
    • Georges Mattelon
    • Soierie lyonnaise
    • Idée reçue
    • Bétisier
    • Delphos
    • La Marseillaise
    • Grenade
    • Gilet
    • Peignier
    • Mariano Fortuny
    • Philippe de la Salle
    • Ralph Griswold
  • Tissus/Fils
    • Nomenclature
    • L'éducation du ver à soie
    • Les fils de soie
    • Taffetas
    • Le roi Velours
    • Velours ciselé
    • Velours Grégoire
    • Velours uni
    • Gaze anglaise
    • Taffetas caméléon
    • Le broché
    • Damas et damassés
    • Crêpe de Chine
    • Lampas
    • Tissus à jours
    • Soieries perlées

Vulgarisation

Vulgarisation : Les tissus façonnés

Les tissus façonnés sont nommés ainsi car ils sont ornés de dessins le plus souvent figuratifs (un cheval au galop sur fond de mer au soleil couchant), ou en tout cas trop étendus ou compliqués pour se contenter d'un harnais de lisses (cadres). Il ne s'agit donc plus seulement de lisses (cadres) qui soulèvent ou abaissent une parie de la chaîne, il a fallu trouver de nouveaux moyens, combinés de telle sorte, que l'on puisse commander la levée de chaque fil de manière individuelle pour pouvoir représenter un dessin dans son moindre détail.

Pour mieux comprendre, regardez de très près, ou à la loupe, une photographie sur un journal quotidien en noir et blanc. On y perçoit clairement les points d'encre qui figurent la photo. De très près, la photo est illisible, mais à une distance normale de lecture, la photo est très lisible. Il en est de même pour nos fils. On aura la meilleure lisibilité du dessin (de près) en commandant les fils individuellement un par un.

Selon l'usage du tissu (habillement, sièges, tentures…), et surtout selon la taille du dessin en largeur, la commande des fils ne se fait pas individuellement, mais par groupes de fils contigus allant en général jusqu'à huit. On comprendra qu'il nous faudra moins de systèmes de lève (crochets de mécanique), jusqu'à huit fois moins. Car si le motif du tissu court sur toute sa largeur, le nombre de crochets nécessaire dépassera ce que peut fournir même la plus grosse mécanique Jacquard.
Le dessin, toutefois sera moins précis, il fera des "escaliers" si on le regarde de trop prês. Mais la majorité des usages des tissus fait que l'on se situe toujours à une certaine distance de lui. Le motif est alors très lisible. Par contre, si le même motif est répété plusieurs fois sur la largeur du tissu (plusieurs chemins), le même crochet commandera plusieurs fils à la fois, ceux qui font toujours le même travail. Par exemple le crochet commandera le premier fil de chacun des six chemins, le crochet suivant commandera le deuxième fil de chacun des sixchemins, etc…

Toute la question est donc dans les moyens pratiques de soulever les fils de la chaîne au moment opportun. Jusqu'au XVIIe siècle, on se servait de métiers dits à la petite tire, dans lesquels un ouvrier placé au-dessus du métier tirait les fils qu'il fallait, au commandement du tisseur.

Claude Dangon inventa les métiers à grande tire, en changeant la disposition des cordons de tirage (les lacs), de façon qu'on puisse les manoeuvrer d'en bas, sur le coté du métier. Ce système permit de faire des étoffes plus larges.

En 1725, un ouvrier tisseur nommé Basile Bouchon inventa un mécanisme (connu sous le nom de Falcon parce que c'est dans l'atelier de ce dernier qu'il fonctionna plus tard) qui remplaçait l'inextricable complexité de noeuds et de cordes qu'il fallait sélectionner et tirer, par des bandes de cartons percées de trous en des points déterminés par le dessin et réunis ensemble de façon àformer une surface continue.

C'est le point de départ du métier Jacquard, heureuse fusion des cartons de Falcon et des organes caractéristiques d'une machine que Vaucanson (le célèbre créateur d'automates) avait inventée et qu'il ne réussit jamais à imposer, ce dont il se vengea (dit-on) en la faisant fonctionner par un âne.

C'était fort spirituel, mais ne prouvait pas que sa machine que l'on peut voir au Musée des Arts-et-Métiers à Paris, fût pratique, pas plus du reste que celle que construisit ensuite Falcon. Mais tous deux ouvrirent une voie royale dans laquelle s'engouffra Jacquard par la suite.

La seule qui fut réellement exploitable est la machine de Jacquard, qui ne date que du début du XIXe siècle. Encore ne le devint-elle qu'après les perfectionnements qu'y apporta un habile mécanicien, nommé Breton, de 1805 à 1816. Ce n'est qu'alors que le métier, dit à la Jacquard, put commencer à se répandre partout où l'industrie du tissage a une certaine importance. Elle s'est ensuite enrichie de perfectionnements très considérables.

Le métier Jacquard est en somme un métier ordinaire, mais équipé de ce mécanisme destiné à soulever les fils de chaîne. Cette mécanique qui paraît complexe à première vue est en réalité assez facile à comprendre, en tout cas dans son principe.

Le métier Jacquard est en somme un métier ordinaire, mais équipé de ce mécanisme destiné à soulever les fils de chaîne. Cette mécanique qui paraît complexe à première vue est en réalité assez facile à comprendre, en tout cas dans son principe.

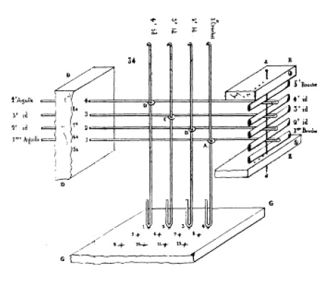
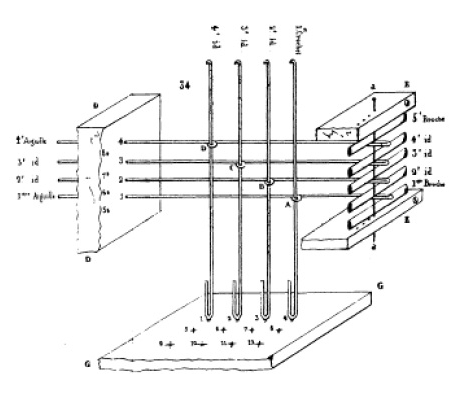
Les fils, nommés arcades relient verticalement les fils de la chaîne au talon I' des crochets E.

Soulever un crochet revient à soulever une arcade et donc un (ou quelques) fils de la chaîne.

Les crochets E, recourbés également à leur partie supérieure ont cette pointe recourbée en prise sur des lames, sans en être solidaires.

Elles reposent simplement dessus, de telle sorte que si l'on imprime un mouvement ascendant à l'ensemble solidarisé de ces lames, ces dernières entraîneront dans leur mouvement ascendant tous les crochets qui reposent sur elles, et donc, par suite les arcades attachés à ces crochets et les fils de chaîne reliés à ces arcade.

Chaque crochet passe au travers de l'oeil d'une aiguille horizontale qui lui correspond et dont l'une des extrémités appuie contre un petit ressort (élastique) placé dans la boîte à élastiques, qui le renvoie à sa position initiale, c'est à dire au-dessus de la lame.

L'autre extrémité de l'aiguille traverse une planchette, quelques millimètres la dépassant en bout.
On comprendra assez facilement qu'en appuyant avec le doigt sur cette extrémité libre de l'aiguille, elle va écraser le ressort placé à l'autre extrémité et se déplacer latéralement.

En se déplaçant, son oeil que traverse un crochet va repousser ce crochet dont l'extrémité supérieure recourbée ne sera plus en prise avec la lame.

Si donc à ce moment on soulève l'ensemble solidaire des lames, le crochet ne sera pas emmené par une lame. Il restera en place ainsi que l'arcade qui lui est suspendue et le fil de chaîne correspondan. En lieu et place de notre doigt qui a repoussé une aiguille, si l'on plaque fortement un carton sur l'ensemble des aiguilles, c'est la totalité des aiguilles qui vont être repoussées comme avec notre doigt.

Tous les crochets suivront le mouvement (par l'intermédiaire des yeux qui les emprisonnent), et si on lève les lames, aucun crochet ne sera entraîné, donc aucun fil de chaîne. Maintenant, si nous perçons des petits trous sur notre carton, en face de certaines aiguilles, et bien lorsque nous plaquerons à nouveau notre carton contre les aiguilles, celles qui sont en face de trous ne seront pas repoussées, leurs crochets non plus qui resterons en prise avec les lames qui les entraîneront avec elles vers le haut quand elles seront soulevées. Les fils de chaîne correspondant lèveront donc.

Ce principe finalement très simple assimilé, il suffit de savoir, sans s'attarder, que le reste de la mécanique comprend simplement des organes destinés :

• à plaquer fortement un carton contre les aiguilles
• à présenter un nouveau carton avant le lancement de la navette
• à soulever l'ensemble solidarisé des lames pour tirer les crochets vers le haut.

Voici très exactement les trois opérations qui seront réalisées chaque fois que l'on appuie sur la marche (pédale) avant de lancer la navette.

On a donc compris qu'il suffit que chaque carton qui se présente, et qui correspond à une duite, contienne un trou en face de chaque aiguille reliée au crochet auquel est suspendu le fil qu'on veut lever.

On conclura cette vulgarisation en précisant que le nombre de cartons nécessaires pour pouvoir exécuter un motif donné, est égal au nombre de trames contenues dans la hauteur de ce motif. Plus cette hauteur est importante, plus il faudra de cartons.

En soierie, pour de très grands motifs, il n'est pas rare que plusieurs dizaines de milliers de cartons soient nécessaires à sa réalisation. Il n'est alors pas étonnant, étant donné le coût, le poids et l'encombrement de ces cartons que la mécanique Jacquard évolue assez rapidement vers l'utilisation du papier perforé des mécaniques suivantes, comme la mécanique Verdol.

©Philippe DEMOULE   -    Photo club arlésien    -    Développé sous WebAcappella Fusion